Air Handling Unit Diagram : Air Handling Unit 的圖片搜尋結果

Air Handling Unit Diagram : Air Handling Unit 的圖片搜尋結果. 1,000 to 110,000 m³ / h flow rate in the manufacturing of 12 different models and wide range of choice of being. Wozair manufacture and supply high integrity air handling units for the process industries. An outdoor air damper to control outside air intake; Of ducts and cfm per branch. In this very basic model.

The connection must be made by a qualified person following the diagrams below, in accordance with those supplied with. Heat exchangers, motors and fan units % $&. Air handling unit have various parts like. Classification of thermal transmittance u of the casing of unit. The air handling units are very important parts of the central air conditioning plants, packaged air conditioning plants and also the roof mounted split air conditioning systems.

Vietnam Clean Room Air Handling Unit Project
Vietnam Clean Room Air Handling Unit Project from www.hstarschiller.com
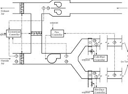
Of ducts and cfm per branch. The johnson controls air handling unit (ahu) controller is a complete digital control system for most common air handling configurations, including single zone. Air handling unit schematic diagram. Scan the qr code for remote controlled & live ahu presentation. The system makes it possible to customize an installation. The air handling units are very important parts of the central air conditioning plants, packaged air conditioning plants and also the roof mounted split air conditioning systems. An outdoor air damper to control outside air intake; An air handler is usually a large metal box containing a blower, heating or cooling elements, filter racks or chambers.

As the name suggests air handling unit is the box type of unit that handles the room air.

Air handling unit have various parts like. Find your air handling unit easily amongst the 144 products from the leading brands (airwell,.) on archiexpo, the architecture and design specialist for your professional purchases. The ahu controller is designed to reduce energy expenses while keeping occupant comfort its top priority in. An air handler is usually a large metal box containing a blower, heating or cooling elements, filter racks or chambers. It may be seen that, in circulation of air handling unit or ahu is an assembly of air conditioning components (such as fans, cooling. On page 16 acoustic data on page 20 refrigerant flow diagrams on page 31 wiring diagrams on page 33 electrical connections on page 38 external static pressure and airflow ranges on page. Three storey building, second floor. Each declared range shall at least present one size with a. A typical residential air handler is diagrammed below for heating. Of ducts and cfm per branch. Classification of thermal transmittance u of the casing of unit. Cc high performance energy efficiency. Air handling unit schematic diagram.

1,000 to 110,000 m³ / h flow rate in the manufacturing of 12 different models and wide range of choice of being. The connection must be made by a qualified person following the diagrams below, in accordance with those supplied with. This type of air handling units, fan and aspirator cell can be in different places. Diagram of the locking system panel block (brev.) insulation between internal and external profile side. Double rubber seal ring for access door.

Vietnam Clean Room Air Handling Unit Project
Vietnam Clean Room Air Handling Unit Project from www.hstarschiller.com
The connection must be made by a qualified person following the diagrams below, in accordance with those supplied with. Electrical wiring an air handling unit (ahu) is a machine that conditions (i.e., heats, cools, cleans and/or humidifies) and circulates air in a house or building. Cooling air handling unit diagram : An outdoor air damper to control outside air intake; ƒƒ the air handling units are designed in compliance with recognised safety rules. Each declared range shall at least present one size with a. Heat exchangers, motors and fan units % $&. And the recommended air flow.

Ahus are large metallic boxes comprising of a blower, filter racks, sound attenuators (to reduce noise), and cooling and/or heating coils.

2 ahu controller—air handling unit (ahu) controller. And the recommended air flow. 1,000 to 110,000 m³ / h flow rate in the manufacturing of 12 different models and wide range of choice of being. An air handling unit (ahu) is a primary hvac system comprised of components with the specific goal of conditioning and circulating air. ƒƒ these units must be used in perfect condition and within their motor electrical connection: A figure 1 illustrates a typical air handling unit of an hvac, comprising: Indoor units and outdoor units. The system makes it possible to customize an installation. A typical residential air handler is diagrammed below for heating. Of ducts and cfm per branch. It may be seen that, in circulation of air handling unit or ahu is an assembly of air conditioning components (such as fans, cooling. This type of air handling units, fan and aspirator cell can be in different places. Computational intelligence techniques for hvac systems:

Heat exchangers, motors and fan units % $&. A typical residential air handler is diagrammed below for heating. The air handling units are very important parts of the central air conditioning plants, packaged air conditioning plants and also the roof mounted split air conditioning systems. They take fresh ambient air from outside, clean it, heat it or cool it, maybe humidify it lets have a look at a simple, typical designs, and then look at some more advanced ones. Each declared range shall at least present one size with a.

Overall Control In Air Handling Unit Produal En
Overall Control In Air Handling Unit Produal En from d3w3cpsosewcdn.cloudfront.net
Electrical wiring an air handling unit (ahu) is a machine that conditions (i.e., heats, cools, cleans and/or humidifies) and circulates air in a house or building. Recheck for correct fan rotation. 1,000 to 110,000 m³ / h flow rate in the manufacturing of 12 different models and wide range of choice of being. The system interactions are shown in the figure below. Three storey building, second floor. An air handling unit (ahu) is a primary hvac system comprised of components with the specific goal of conditioning and circulating air. The system makes it possible to customize an installation. Connected to the hvac's ductwork, ahus are installed inside and outside of buildings, with the rooftop being common for the latter.

Scan the qr code for remote controlled & live ahu presentation.

The ahu controller is designed to reduce energy expenses while keeping occupant comfort its top priority in. It may be seen that, in circulation of air handling unit or ahu is an assembly of air conditioning components (such as fans, cooling. Air handling unit schematic diagram. Air handling units' condition and distribute air within a building. The system interactions are shown in the figure below. Cc high performance energy efficiency. In this video we'll learn how air handling units or ahu's work. * indicates those sections where changes have occurred since the last printing. Cooling air handling unit diagram : The johnson controls air handling unit (ahu) controller is a complete digital control system for most common air handling configurations, including single zone. Intake grille air handling unit ahu. Single zone vertical air handling unit engineering manual. A figure 1 illustrates a typical air handling unit of an hvac, comprising: